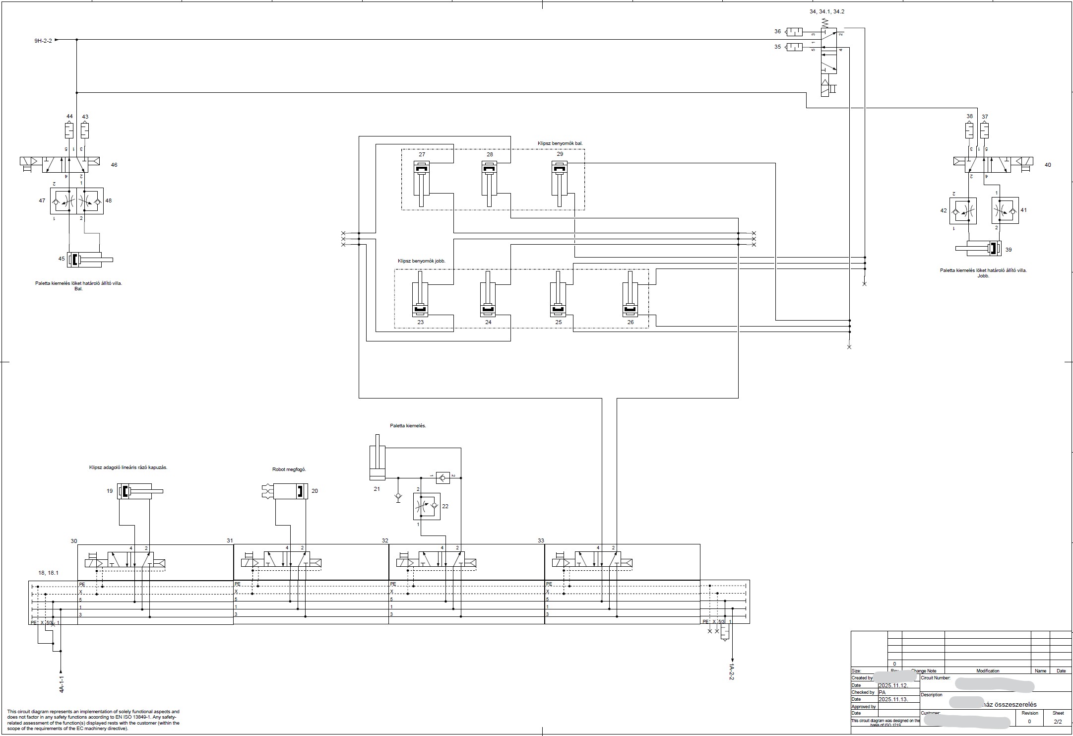
Task
Contribute to CE certificate approval of different production machines.
Solution
As a subcontractor our role was to take part in onsite surveys of the machines and to create pneumatic circuit drawings. 15+ machines were covered in the first step.
